amp20A
Produs nou
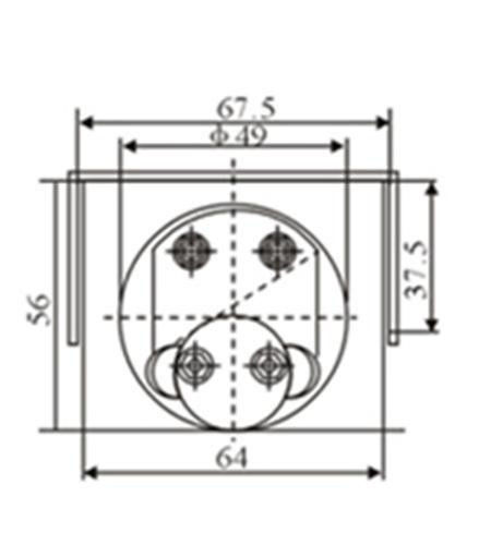
Ampermetru analogic montare panou, indica precis consumul de curent (freza, motoare, pompa, laser, etc). Calibrarea se face usor prin rotirea surubului aflat pe fata dispozitivului.
ATENȚIE: Ultimele bucăți în stoc!
Data disponibilității:
Cu gradatii clare la 1A, are posibilitatea iluminarii din spate. Ac foarte subtire culoare rosie. Montarea pe panou se face foarte usor prin practicarea catorva gauri si fixarea cu piulitele incluse in pachet. Material plastic de calitate.
