DM2280A
Produs nou
Driver motoare pas cu pa Nema34, Nema42, 8A, cu alimentare directa la 220V, micropasire pana la 60000 pasi/tura, PWM, control deosebit al vibratiilor si zgomotului.
ATENȚIE: Ultimele bucăți în stoc!
Data disponibilității:
Un controller folosit in diverse aplicatii de tip CNC (freze, strunguri, plasme, lasere, masini de ambalat, debitat, water-jet, automatizari industriale, roboti, etc.) cu excelente capabilitati de micropasire, vibratii mici, zgomot redus, precizie si viteza mare.
Cu un sistem digital DSP (digital signal processing) de ultima generatie pt controlul curentului in PWM, asigura o incalzire minima a motorului, un zgomot si vibratii extrem de reduse. Sistem de indicare a starii cu LED, alimentare directa cu tensiune 220Vac. Functie de auto-test. Un radiator de racire generos plus ventilator racire fortata.
Dimensiuni:

Este recomandat a se lasa 10 cm intre drivere pt. o buna ventilare si racire.
Tabel selectare curent:

Tabel selectare micropasire:

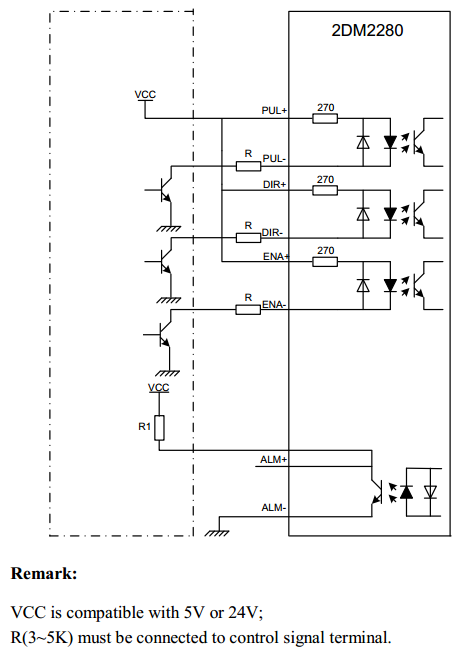
Conectare


