00001165 CONTROLLER USB RNR
Produs nou
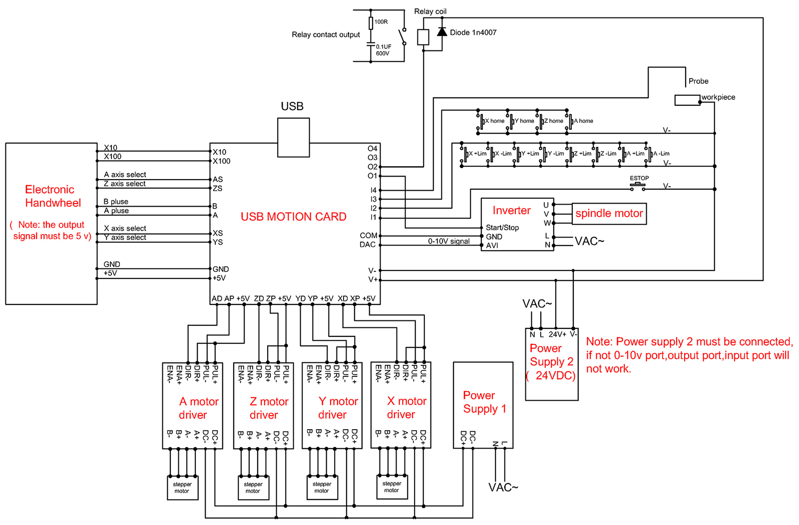
Controler USB RNR Motion pentru CNC
Un dispozitiv compact și versatil pentru comanda precisă a mașinilor CNC (frezare, gravare, routere etc.), conectat prin USB. Este ideal atât pentru proiecte DIY, cât și pentru aplicații industriale ușoare. Solutia perfecta pentru migrarea de la portul paralel la USB.
ATENȚIE: Ultimele bucăți în stoc!
Data disponibilității:
Acest controller CNC pt 4 axe este conceput pt a fi compatibil cu Mach3, LinuxCNC, etc. conectare pe USB la calculatoare generatie nou fara port paralel (inclusiv laptop-uri). Poate comanda diverse masini CNC cum ar fi rutere de frezare, strunguri, laser, etc. Lucreaza la o frecventa de 100KHz ceea ce asigura o legatura rapida, mult peste ce este necesar de cele mai multe ori.
- suporta 4 axe atat pentru motoare pas cu pas cat si servo;
- frecventa maxima step-pulse este de 100KHz;
- poate fi atasat 'automatic probe';
- port pt. EMERGENCY STOP;
- suport pt limitatori de cursa;
- conectare usoara cu MPG pe fir;
- alimentare 24Vcc separata de USB pt o operare stabila;
- port PWM 0-10V pt. control viteza freza in Mach3;
- intrari opto-izolate cu optocuploare de viteza;
- indicator LED pt status conectare
Pt. instalare pe Mach3, descarcati fisierul USB Motion Driver RnRMotion.dll din descarcari de mai jos, dezarhivati si copiati in directorul Mach3 Plugin (de ex. C:/Users/ProgramFiles/Mach3/Plugins). Asigurati-va ca placa este conectata la PC prin cablul USB. Aceasta va vi recunoscuta imediat pe USB. Deschideti Mach3 si trebuie sa va apara o fereastra de unde selectati "RnRMotionController" si bifati "Don`t ask me again". Acum placa Dvs. va comunica cu controllerul. De asemenea descarcati XML Mach3 Config File din link-urile de mai jps (cu right click/save as). Salvati fisierul Mach3Mill.xml in radacina directorului Mach3.

O pagina bine documentata gasiti la adresa: https://buildyourcnc.com/products/electronicsandmotors-electronic-component-breakout-mach3-usb-board?srsltid=AfmBOortU4qBJdjcpjQusPy3appFabFb7ga1ZK8cWRzzpvl31Z9NRCcy

* include cablul USB cu inel de ferita pt eliminare interferente